位置公差(位置偏差)
所谓位置公差,就是相对于某项基准,决定相应要素应处位置(真位置)的公差。指定位置公差之前,必须确定基准,因此位置公差是与基准相关联的要素,即关联要素的几何公差。
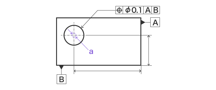
位置度

指定“相对于基准(作为基准的平面、直线)的位置正确程度”的精度。

- a
- 直径0.1 mm范围内
- 图纸解读
- 标示线箭头所指的圆的中心点,必须位于直径0.1 mm的圆中。
同轴度

指定“2个圆柱的轴同轴 (中心轴无偏差)的程度”。

- 图纸解读
- 标示线箭头所指的圆柱轴线,必须位于以基准轴直线A为轴线的、直径0.03 mm的圆柱中。
同心度

指定“2个圆柱的轴同轴 (中心点无偏差)程度”的精度。与同轴度的区别在于,基准要素是中心点(平面)。

- a
- 0.05 mm圆的范围内
- 图纸解读
- 标示线箭头所指的圆柱轴线,必须位于以基准轴直线A为轴线的、直径0.05 mm的圆柱中。
对称度

指定“相对于基准(作为基准的平面)保持对称”的精度。

- a
- 距离理论中心面0.05 mm以内
- b
- 理论中心面
- 图纸解读
- 标示线箭头所指的中心面,必须位于与基准中心平面A对称间隔0.05 mm的2个平行平面之间。



