螺丝不良(凹陷、划痕、裂纹、起伏)的高效观察
螺丝对工业产品中部件之间的机械性接合来说,几乎是必不可少的元素。不仅是安全性取决于精度和耐久性的汽车、航空相关产品,从建筑到电子部件的许多产品,也要求螺丝具有高品质和可靠性。
下面将从螺丝的基础知识开始,介绍使用4K数码显微系统,实现高水平、高效地观察和检测螺丝不良位置,从而满足研发、品质保证等阶段要求的案例。

螺丝的基本(各部分的名称、尺寸、规格、材质)
螺丝是指在圆柱形轴的侧面设置螺旋状槽的固定部件。小螺丝一般也称为螺钉,与螺母配套使用的称为螺栓。此外,还会根据被接合的材料和用途,使用各种形状、规格和材质的螺丝,例如,木工用的螺丝会使用螺纹部前端尖锐的木螺丝等。普通螺丝各部分的名称、尺寸、规格等螺丝使用时的基本项目总结如下。
螺丝各部分的名称和尺寸
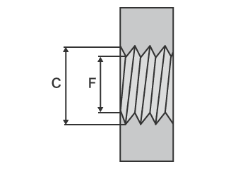
螺丝(外螺纹)代表性部分的名称和尺寸如下所示。

外螺纹的长度一般被称为“公称长度”,指螺脖下区域长度(图中的E)。但是,该定义因螺丝种类和头部形状而不同。例如,如果是接合时头部不会突出的埋头螺丝,全长(图中的F)即为公称长度。
除此之外,如果与头部相接的部分没有螺牙和牙谷,则该部分被称为“圆柱部”。加工时圆柱部和螺纹部之间出现螺牙的峰与谷不完整的“不完整螺纹部”属于圆柱部。
然后,将说明下图所示的螺纹部(外螺纹、内螺纹)的代表性尺寸。


- A
- 外径 外螺纹的螺牙之间的直径,是表示粗细的“公称直径”。
- B
- 有效直径 螺牙宽度和螺纹槽宽度相等时圆的直径。
- C
- 底径 外螺纹/内螺纹的谷底间直径。
- D
- 螺牙角度 从牙峰延伸到牙谷的角度。
- E
- 节距 相邻牙峰之间的距离。
- F
- 内径 内螺纹的牙峰间直径。
螺丝的规格
螺丝有各种规格,尺寸、定义和名称各有不同。下面将介绍代表性的规格、定义、标记方法等。
- 公制螺丝
- 指螺牙的角度为60°,用毫米来表示公称尺寸和螺牙节距的螺丝。根据螺牙节距的不同,可分为粗牙螺丝和细牙螺丝。
可标记为“螺丝名称 × 节距”,并在字母M后面加上螺纹部的最大直径(mm)。例如,“M10”表示螺丝的公称直径为10 mm。节距包括标准的“粗牙节距”和螺牙间隔狭窄的“细牙节距”,后者记为“M〇〇×节距”。 - 统一标准螺丝
- 螺牙角度和公制螺丝一样都是60°,公称尺寸用英寸表示的螺丝。螺牙节距用1英寸范围内的螺牙数量来表示。对于统一标准螺丝的规格,有时也被称为英制螺丝或美式螺丝,一般用于飞机等行业。统一标准螺丝包括普通尺寸的“统一标准粗牙螺丝(UNC)”和细牙的“统一标准细牙螺丝(UNF)”。
标记方法是,“螺丝外径(螺丝编号)-(连字符) 每英寸的螺牙数、螺丝种类(UNC或UNF)”。例如,“1/4-20UNC”是指外径为1/4英寸、每英寸的螺牙数为20的统一标准粗牙螺丝。
螺丝的材质和特点
根据用途,螺丝的头部和螺纹部有多种形状和规格,使用的材质也不尽相同。将说明代表性螺丝材质的种类和特点。
- 钢
- 螺丝使用的主要钢材如下所示。
- 碳钢:较为常见的螺丝钢铁材料。其中S45C(含碳量0.45%左右)是硬度和强度兼备的机械结构用碳钢材料,多用于螺丝。
- 合金钢:添加了Mo(钼)和Cr(铬),用于对强度有要求的螺栓等。
- 不锈钢:根据经过Cr系(Cr马氏体系/18Cr铁氧体系)或Cr-Ni系(18-8奥氏体系)等热处理后变化的组织进行分类,耐腐蚀性和机械性质一般都很好。这些不锈钢材料中,螺丝常用的是奥氏体系。
- 铜、铜合金
- 与其它金属材料相比,机械强度较低,不过容易成型,导电性、导热性、延展性和耐腐蚀性较强。常用作端子的固定螺丝。根据含氧量(铜的纯度)的不同,纯铜可分类为、韧铜(纯度99.5%)、脱氧铜(对韧铜采取抗氢脆措施)、无氧铜(99.995%的高纯度)。出于成本的考虑,螺丝的材质常采用韧铜。
- 铝、铝合金
- 铝制螺丝比钢制螺丝轻1/3左右。除此之外,它的优点还有,具有出色的耐腐蚀性和导热性,比较容易循环使用,利于环保。不过,它的强度低于钢材料,这一直是铝材料需要解决的课题,可用热处理提高表面硬度,或者提高材质强度,使用采取此类措施的铝制螺丝,不但可克服原有的缺点,而且可获取铝材料特有的优点。
- 钛、钛合金
- 钛制螺丝比钢制螺丝轻60%左右,拥有与碳钢几乎相同的强度,还具备较好的耐腐蚀性和耐热性。不过,钛材质难以加工,成本也相当高。钛(纯钛)和钛合金拥有不同的性质。主要用途如下所示。
- 钛:耐腐蚀性强,对人体无害。它具有良好的生物相容性,因此用于医疗用途的螺栓等。
- 钛合金:对于材质的重量来说,强度很高,因此被用于航空宇宙相关产品。加工十分困难,导致螺丝的单价变高。
- 镁、镁合金
- 镁材料的重量约为钢材料的1/4,铝材料的2/3,作为用于螺丝的金属材料来说非常轻。镁合金的优点有,品质轻,比强度高,具有出色的电磁屏蔽性、散热性和振动吸收性,在与同材质的外壳连接时不会发生电蚀。出于这些优点,镁合金被广泛地应用于汽车、飞机、电机产品等各个领域。不过,由于它具有耐腐蚀性低、加工难度高等性质,必须调整使用环境,或者考虑实施表面处理,弥补材料缺点。
- 树脂(塑料)
- 树脂的强度低,但是易成型,品质轻。此外,还可根据树脂的种类获取耐腐蚀性、耐药性等各种性质。例如,树脂中有比重低且耐水解性强的PP(聚丙烯),还有机械性质均衡且耐药性出色的POM(聚甲醛)等,结合螺丝的使用目的,可使用多种多样的树脂。
螺丝不良观察、测量的高水平、高效案例
螺丝、螺栓、螺母、垫片(垫圈)等基本上都是用金属制成,并且形状立体。因此在多数情况下,在观察损害品质的凹陷、划痕、裂纹等外观不良和三维形状不良时,往往会出现只可局部对焦、光泽或与背景之间的低对比度导致照明条件难以设定等问题。
基恩士的超高精细4K数码显微系统“VHX系列”采用高分辨率HR镜头、4K CMOS等先进技术和电动控制,自主研发出一套观察系统。使用这套系统,就可通过简单的操作对清晰的4K高分辨率图像进行观察,或者测量二维和三维尺寸。同时,还解决了过去的课题,实现观察的高水平化和测量的定量化,并缩短作业时间,提高作业效率。
观察螺牙凹陷的倾斜
运用4K数码显微系统“VHX系列”的“多方位观测系统”,无需改变目标物位置,就可以低倍率或高倍率从各种角度清晰地观察螺丝上细微的凹陷、划痕等不良。
相较于传统显微系统,实现约20倍的大景深,即使是立体目标物也无需花时间调焦,可用全幅对焦的清晰图像观察不良位置*。
与本公司旧VH系列产品的比较



观察螺母起伏
4K数码显微系统“VHX系列”利用Optical Shadow Effect Mode,通过抽真空等方法,只需操作按钮就可轻松获取接近SEM(扫描电子显微镜)的高对比度信息。由此便可进行仔细观察,连对比度低、难以观察的金属表面的细小凹凸也不放过。
可将目标物的颜色信息叠加在Optical Shadow Effect Mode图像上,同时显示凹凸信息和颜色信息。此外,如下图所示,使用以不同颜色显示凹凸信息的“色差图像”,连小螺母上的起伏等细微的凹凸信息也变得一览无余。
而且,“VHX系列”还可直接在高分辨率4K图像上进行二维和三维的尺寸测量。在测量三维尺寸时,还可获取各个位置的轮廓信息。仅用1台设备就可自动完成使用观察图像和测量值的报告制作。


螺丝观察、分析的新方法-4K数码显微系统
使用4K数码显微系统“VHX系列”,不仅通过清晰的4K图像提高了观察水平,还可利用丰富的观察系统和功能,大幅改进了观察和分析的方法。
“多方位观测系统”可轻松调节视野、旋转轴、倾斜轴这三根轴,实现了共心性,即使倾斜、旋转,视野亦不会偏离。即使是螺丝的不良位置等立体且细微的观察目标,也可流畅地倾斜观察。
除此之外,Optical Shadow Effect Mode可通过简单操作实现难以做到的观察,例如,获取高对比度信息,观察起伏等细微凹凸和细小划痕,并以可视化的方式呈现这些信息。
“VHX系列”拥有诸多优点,不仅使研发和品质保证阶段的观察和分析变得高水平化、定量化,还提高作业速度,简化操作流程,从而避免了只有特定人员才可操作等问题。如需了解相关详情,欢迎点击下列按钮,下载查阅产品目录或随时咨询。


