结晶(氨基酸、蛋白质等)的高效观察和分析
食品制造行业和制药行业生产的产品会直接被人体摄入,要求具有高级别的安全性和品质。
因此,在晶体形态原材料的采购、晶析工序、加工后的观察和分析等各个过程中,可通过详细准确的检查,实施正确的品质管理和品质保证。
下面我们将为您介绍仅需1台即可快速完成晶体观察和分析等工作的4K数码显微系统的应用案例。

何谓结晶
晶体是物质的一种固体状态,是原子、分子或离子以规律周期重复进行立体排列,形成空间点阵的状态。晶体内的原子阵列称为“晶体结构”,阵列的规律周期最小单位称为“单位点阵”。除了原子和无机分子以外,拥有超过100万分子数量的蛋白质分子等也是晶体。
晶体一般为多面体,外观由多个表面平坦、角度尖锐的多边形“棱面”组成。多数情况下,晶体具有“各向异性”,即光线折射率、弹性等因方向而异。
结晶的需求、观察和分析课题
在食品和医药品领域,在产品的原材料和制造工序中,晶体技术广泛应用于各种原料药、蛋白质、氨基酸、淀粉等材料。利用晶体可为产品添加更多附加价值,因此增加了晶体的晶析工序或者从公司外部采购晶体。在使用晶体制造产品时,晶体的纯度、外形、粒度分布、溶解性、流动特性等对维持和提高品质来说十分重要。
晶体性质较多时,由构成晶体的各原子或分子决定,或者与它们在晶体内的相互位置有关。在各向异性介质中,也会表现出折射率、光吸收系数、旋光度、消偏振度等光学性质。但是,在评价采购的晶体或者晶析结果时,具有代表性的指标是对晶体的外观、外形、粒度分布等的观察和分析。
不过,晶体形状立体,微小复杂,具有不同透过性,同时存在光折射和漫反射,因此观察和分析的难度高,成为了需要解决的课题。具体课题如下。
- 晶体形状立体,用高倍率观察样品时,只能局部对焦。
- 棱面角度各有不同,因此光线的漫反射使得设定照明条件变得困难。
- 与背景的对比度往往很低,很难捕捉晶体的轮廓。
- 由于以上因素,定量分析和评价的难度较高。
在下一项内容中,将介绍使用4K数码显微系统解决晶体观察和分析中诸多课题,实现高水平化和定量化,大幅提高工作效率的应用案例。
解决在观察和分析晶体中存在课题的4K数码显微系统的应用案例
为了解决在观察和分析晶体等难度较高的目标物时存在的课题,基恩士根据现场的意见和建议,持续30多年不断生产出新的数码显微系统,满足观察和分析人员的需求。
其中的新系列就是作为下一代数码显微系统的超高精细4K数码显微系统“VHX系列”。特有的观察系统拥有高性能,配备了丰富的功能,用简单操作就可轻松使用,无需配备专门的操作人员,提高工作效率。
下面我们将为您介绍“VHX系列”在结晶观察和分析中的应用案例。
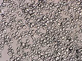
原料药结晶的观察、分析、制作报告
制药中使用的原料药晶体,形状立体复杂,往往无法整体对焦。而且,由于晶体特有的透过性和光线折射,无法获得高对比度,很难清晰地观察形状。
4K数码显微系统“VHX系列”仅需1台即可应对各种照明条件,非常耗时的条件设定也可极其简单快速地完成。配备了“多方位多功能照明”功能,只需按下按钮,就可自动获取从多方位照明的多张图像。只需从获取的图像中选择符合目的的图像,即可通过高精细的4K图像立刻开始观察晶体。
获取的多张图像数据可被保存,因此日后如需在不同的照明条件下进行观察,也可轻松地将图像调取出来。
而且,只需要选择过去的观察图像,就可复制当时的条件,因此即使样品的个体、观察日期、观察人员不同,也可在相同条件下轻松完成观察。


“VHX系列”还可根据观察结果无缝地执行结晶粒度分析。“自动面积测量、计数”功能可用简单操作指定范围,并在该范围内以期望阈值进行二值化处理。可自动执行晶体的面积测量、计数。
除了各晶体的面积、周长、最大直径、最小直径之外,还可自动测量、计算、计数并列表显示在选择范围内晶体的个数、面积的平均值、标准偏差、最大值、最小值、面积率等详细数值。可剔除选择范围内包含的多余目标物或分离相互重叠的目标物,因此可实现高精度的分析。

除此之外,“VHX系列”还可直接安装Excel,将获取的图像和数值输出到各种模板,自动制作布局完成的报告。
使用这些丰富的功能,可使耗时的、从观察到分析、制作报告的一系列作业变得简单、高效,工时也得到大幅削减。

淀粉结晶的高对比度观察
在观察淀粉时,由于晶体的高透过性,与背景的对比度会很低,很难清晰地观察晶体的轮廓和形状。
4K数码显微系统“VHX系列”配备了“HDR(High Dynamic Range)功能”,除了实现透过照明的背光照明之外,还可合成不同快门速度下拍摄的多张图像后得出的高灰度级图像。使用该功能,即使观察淀粉晶体等与背景之间对比度低的目标物,也可获得高对比度的高精细4K图像,使操作人员可清晰地观察晶体的轮廓和纹理。


观察氨基酸、蛋白质的结晶
4K数码显微系统“VHX系列”兼具光学显微镜20倍以上的景深和高分辨率,配备了透过照明(背光照明)、落射照明、偏光观察等多种用途的高功能照明。
而且,通过“多方位多功能照明”功能,可自动获取从多方位照明条件下拍摄的多张图像,快速达成适合各晶体的照明条件。
“VHX系列”凭借高性能、高功能以及特有的观察系统,通过高精细4K图像,轻松地观察难以设定条件的氨基酸、蛋白质等拥有各种外观的晶体。


实现食品、制药行业中晶体观察和分析等工作创新的4K数码显微系统
正如上文所介绍的案例,4K数码显微系统“VHX系列”为难以设定条件和分析的、耗时耗力的晶体观察和分析工作带来创新。
拥有实现高精细4K图像的先进光学系统、4K CMOS、可应对各种晶体透过性的丰富照明种类、用简单操作即可利用各种功能的特有观察系统,合理地实现高水平的晶体观察。
而且,仅需1台即可从观察视野直接无缝地自动测量晶体面积和计数,甚至可自动制作报告,大幅提高工作效率。
除了上文介绍的功能之外,“VHX系列”还配备了其他丰富的功能,在食品和制药行业为各种观察和分析工作提供强力支持。
如需了解“VHX系列”的详情,欢迎点击下列按钮,下载查阅产品目录或随时咨询。


