不同类别接线的示例
不同类别接线的示例
以下示例为安全相关控制系统部件的组合图,适用于使用SC-S11 安全控制器机器。
如果您正在考虑采用真正使用SC-S11 的控制电路,请您务必仔细阅读SC-S11 用户手册。
1.一个紧急停止开关

类别:4
停止类别:0
- 符号说明
S1 : 复位输入开关
S2 : 紧急停止开关
K1、K2 : 电磁接触器等。
M : 三相电机
- SC-S11 设置
安全输入模式设置: 接触输出设备连接
联锁设置: 手动复位
EDM 模式设置: EDM 输入启用
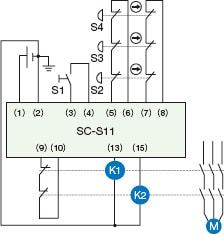
2.三个紧急停止开关

类别:3
停止类别:0
- 符号说明
S1 : 复位输入开关
S2 至S4 : 紧急停止开关
K1、K2 : 电磁接触器等。
M : 三相电机
- <SC-S11 设置>
安全输入模式设置: 接触输出设备连接
联锁设置: 手动复位
EDM 模式设置: EDM 输入启用
3.一个紧急停止开关

类别:2
停止类别:0
- 符号说明
S1 : 复位输入开关
S2 : 紧急停止开关
K1、K2 : 电磁接触器等。
M : 三相电机
- <SC-S11 设置>
安全输入模式设置: PNP 输出设备连接
联锁设置: 手动复位
EDM 模式设置: EDM 输入启用
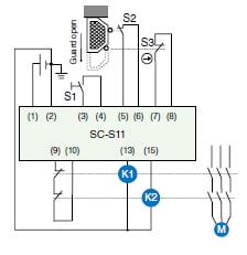
4.安全限位开关

类别: 4
停止类别: 0
- <符号说明>
S1 : 复位输入开关
S2 : 安全限位开关(常开)
S3 : 安全限位开关(常闭)
K1、K2 : 电磁接触器等。
M : 三相电机
- <SC-S11 设置>
安全输入模式设置: 接触输出设备连接
联锁设置: 手动复位
EDM 模式设置: EDM 输入启用