应变片 电桥电路组成方法
所谓电桥电路,是指在4个元件之间形成类似架桥形状的电路,典型的有惠斯通电桥或滑线电桥等。电桥电路在各元件值处于平衡状态时,不论输入电压如何,输出电压均为“0”。应变片利用这一性质来采集应变。电路组成方法因采集目标物而有差异,通过符合目的的电路进行采集。
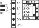
下面介绍电路组成方法及连接应变采集单元“NR-ST04”的方法。
拉伸应变/压缩应变
单应变片法2线式
最普遍的连接方法。
| 采集示例 | 电桥电路 | 输出 | 温度 补偿 |
引 线的 温度 补偿 |
NR-ST04的 配线 |
|---|---|---|---|---|---|
![]() |
![]() |
1倍
|
×
|
×
|
![]() |
单应变片法3线式
可消除引线的温度影响。
| 采集示例 | 电桥电路 | 输出 | 温度 补偿 |
引 线的 温度 补偿 |
NR-ST04的 配线 |
|---|---|---|---|---|---|
![]() |
![]() |
1倍
|
×
|
✔
|
![]() |
单应变片法(两块)2线式
将两块60 Ω的应变片串联连接。可消除弯曲应变。
| 采集示例 | 电桥电路 | 输出 | 温度 补偿 |
引 线的 温度 补偿 |
NR-ST04的 配线 |
|---|---|---|---|---|---|
![]() |
![]() |
1倍
|
×
|
×
|
![]() |
单应变片法(两块)3线式
将两块60 Ω的应变片串联连接。可消除引线的温度影响及弯曲应变。
| 采集示例 | 电桥电路 | 输出 | 温度 补偿 |
引 线的 温度 补偿 |
NR-ST04的 配线 |
|---|---|---|---|---|---|
![]() |
![]() |
1倍
|
×
|
✔
|
![]() |
双应变片法邻边(动态/虚拟)
在与采集目标物相同材质构成且不受应力的样品片上粘贴参照用应变片。用参照用应变片采集并消除因温度变化引起的视应变。
| 采集示例 | 电桥电路 | 输出 | 温度 补偿 |
引 线的 温度 补偿 |
NR-ST04的 配线 |
|---|---|---|---|---|---|
![]() |
![]() |
1倍
|
✔
|
✔
|
![]() |
双应变片法邻边(双动态垂直配置)
粘贴一块双元件装(双轴交叉)。输出:(1 + 泊松比)倍
| 采集示例 | 电桥电路 | 输出 | 温度 补偿 |
引 线的 温度 补偿 |
NR-ST04的 配线 |
|---|---|---|---|---|---|
![]() |
![]() |
1 + ν
|
✔
|
✔
|
![]() |
双应变片法对边(双动态)2线式
NR-ST04的内置电桥BOX不支持对边,因此使用外装电桥BOX或2 ch进行运算。
| 采集示例 | 电桥电路 | 输出 | 温度 补偿 |
引 线的 温度 补偿 |
NR-ST04的 配线 |
|---|---|---|---|---|---|
![]() |
![]() |
2倍
|
×
|
×
|
方法1:使用外装电桥BOX。电桥BOX与NR-ST04以4应变片法连接。
方法2:将两块应变片分别以单应变片法2线式与CH1及CH2连接。 运算:(CH1 + CH2) |
双应变片法对边(双动态)3线式
NR-ST04的内置电桥BOX不支持对边,因此使用外装电桥BOX或2 ch进行运算。
| 采集示例 | 电桥电路 | 输出 | 温度 补偿 |
引 线的 温度 补偿 |
NR-ST04的 配线 |
|---|---|---|---|---|---|
![]() |
![]() |
2倍
|
×
|
✔
|
方法1:使用外装电桥BOX。电桥BOX与NR-ST04以4应变片法连接。
方法2:将两块应变片分别以单应变片法3线式与CH1及CH2连接。 运算:(CH1 + CH2) |
4应变片法(动态/虚拟)
在与采集目标物相同材质构成且不受应力的样品片上粘贴参照用应变片。用参照用应变片采集并消除因温度变化引起的视应变。
| 采集示例 | 电桥电路 | 输出 | 温度 补偿 |
引 线的 温度 补偿 |
NR-ST04的 配线 |
|---|---|---|---|---|---|
![]() |
![]() |
2倍
|
✔
|
✔
|
![]() |
4应变片法(4动态垂直配置)
粘贴两块双元件装(双轴交叉)。(合计4应变片)输出:2 × (1 + 泊松比)倍
| 采集示例 | 电桥电路 | 输出 | 温度 补偿 |
引 线的 温度 补偿 |
NR-ST04的 配线 |
|---|---|---|---|---|---|
![]() |
![]() |
2 ×
(1 + ν) |
✔
|
✔
|
![]() |
弯曲应变
双应变片法邻边
在正面与反面粘贴应变片。可不受拉伸应变及压缩应变的影响而只采集弯曲应变。
| 采集示例 | 电桥电路 | 输出 | 温度 补偿 |
引 线的 温度 补偿 |
NR-ST04的 配线 |
|---|---|---|---|---|---|
![]() |
![]() |
2倍
|
✔
|
✔
|
![]() |
4应变片法
| 采集示例 | 电桥电路 | 输出 | 温度 补偿 |
引 线的 温度 补偿 |
NR-ST04的 配线 |
|---|---|---|---|---|---|
![]() |
![]() |
4倍
|
✔
|
✔
|
![]() |
扭曲应变
双应变片法邻边
将两块应变片以相对于轴倾斜±45°(双元件±45°剪断用)粘贴。
| 采集示例 | 电桥电路 | 输出 | 温度 补偿 |
引 线的 温度 补偿 |
NR-ST04的 配线 |
|---|---|---|---|---|---|
![]() |
![]() |
2倍
|
✔
|
✔
|
![]() |
4应变片法
| 采集示例 | 电桥电路 | 输出 | 温度 补偿 |
引 线的 温度 补偿 |
NR-ST04的 配线 |
|---|---|---|---|---|---|
![]() |
![]() |
4倍
|
✔
|
✔
|
![]() |
关于比率

将比率设为0.5倍时,进行上述所示的设定。












































