最小实体要求(LMR:Least Material Requirement)
在孔洞的大小、位置、厚度等管理中,采用了最小实体要求。
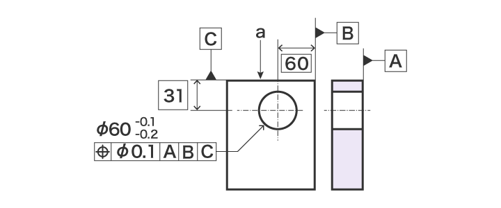
例如,在最小实体状态(孔洞大小为最大[LMC:Least Material Condition])下,一旦部件孔洞位置及大小出现偏差,就会发生因强度不足导致断裂等问题。以此类严格的空间条件进行设计时,最小实体要求发挥着重要的作用。
最小实体要求的使用
对设计值而言,最差的厚度条件,就是孔径大(最小实体尺寸)、位置靠近端面侧的情形。反之,小孔径状态(最大实体状态)下,即使孔洞靠近端面侧,强度也能够得到保障。

- a
- 孔洞的侧面过于接近端面,可能发生损坏。
什么是
将最小实体要求适用于尺寸时,需要在形体控制框的尺寸公差之后标注。根据实际情况,有时会标注在基准符号之后。“L”是Least Material Requirement(LMR)的缩写,是标示适用最小实体要求的符号。

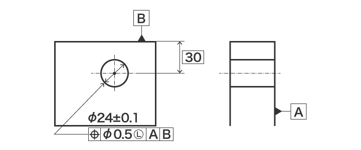
最小实体要求的指定示例
下图是用位置度表示最小厚度时,用最小实体要求标示端面与孔洞的示例。
在尺寸容许区间适用时,位置度Φ0.5仅适用于孔24为最小实体状态的Φ24.1。此时,孔洞越小,几何公差就越能得到缓和。




