真直度的测量
对指定应该呈现何等正确笔直度的“笔直程度”,即真直度进行测量。
对象为直线,而非平面。因此可用于判定长尺寸物体的翘曲等。
图纸示例

利用高度尺规测量

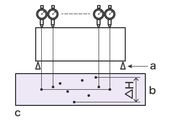
- a
- 微型千斤顶
- b
- △H=真直度
- c
- 高度(Hn)图
为避免目标物倾斜,根据左右高度用小型千斤顶进行固定后,笔直移动目标物或高度尺规进行测量。
最大值与最小值之差(ΔH),就是真直度。
问题点
高度尺规的精度通常都低于三坐标测量仪,用高度尺规测量部抵住目标物时的力度,会对测量值造成影响等问题,可能会导致测量结果不稳定。
此外,对于无法水平设置的目标物,不能移动高度尺规,故难以进行测量。
利用三坐标测量仪测量

- a
- 探针
- b
- 目标物
三坐标测量仪只需用探针轻触目标物,就能进行测量。因此,几乎不会发生因测量压力导致的误差,可获得稳定的测量结果。
此外,探针能从各种角度接触目标物,对于因无法水平固定、很难用高度尺规测量的目标物,也能实现正确测量。
- 测量画面
-

- a
- 真直度的测量结果



