位置度的测量
对“相对于基准(作为基准的平面、直线)的位置正确程度”,即位置度的精度进行测量。
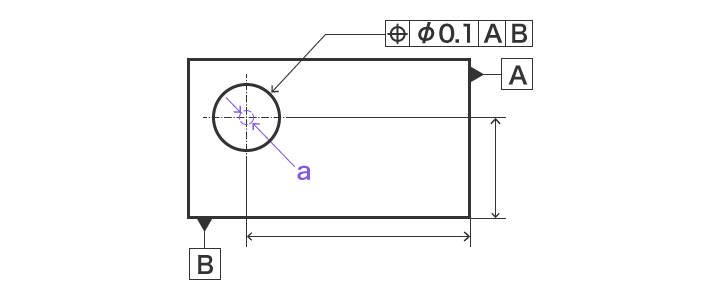
图纸示例

- a
- 直径0.1 mm范围内
利用量规测量

利用测量规及检测规进行合格判定。
其优点是测量操作者的熟练度不会影响作业速度及检测品质,能够轻松测量,并支持自动化。
问题点
必须根据目标物分别定制量规,特制量规还会产生初始成本,难以在试作阶段导入。
利用三坐标测量仪测量

- a
- XY面 基准平面A
- b
- ZX面 基准平面B
- c
- YZ面 基准平面C
- d
- 目标物
- e
- 平板
设定基准面,用探针抵住目标物的测量点进行测量。测量结果会立即显示在画面上。
还能测量直交坐标,单次测量即可输出复合位置度。
测量孔洞时,通过测量深度不同的多个点位,还能输出圆柱度、直角度、真直度等的验证结果。
- 测量画面
-

- a
- 目标点(圆)
- b
- 位置度的测量结果



